Class of Operation: aR
Rating:
Amps: 160-630A
Volts: 1000Vdc
Interrupting Rating: 50kA@1000Vdc
Standards/Approvals for Reference:
2IEC 60269/GB 13539 2CE 2RoHS compliant
Description: A range of square body fuses specifically designed for semiconductor protection
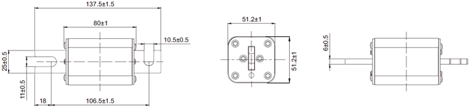
Cross-section: 51x51mm(size 1)
Demensions

Catalogue Numbers
Items | Catalogue Numbers | Electrical Characteristics | Bolt Size | Installation torque (N.m) | ||||
Without indicator holder | With indicator holder | Rated Current RMS-Amps | I2t (A2Sec) | Watts Loss | ||||
Pre-arc | Clearing at 1000V | |||||||
1 | *ESH4442 | *ESH4454 | 160 | 5576 | 22860 | 19.2 | M10 | 24.0±3.0 |
2 | *ESH4443 | *ESH4455 | 200 | 12545 | 51436 | 22.5 | M10 | 24.0±3.0 |
3 | *ESH4444 | *ESH4456 | 250 | 17076 | 70010 | 30.4 | M10 | 24.0±3.0 |
4 | *ESH4445 | *ESH4457 | 315 | 28227 | 118553 | 37.6 | M10 | 24.0±3.0 |
5 | *ESH4446 | *ESH4458 | 350 | 37210 | 156282 | 40.4 | M10 | 24.0±3.0 |
6 | ESH4447 | ESH4459 | 400 | 55912 | 234829 | 43.0 | M10 | 24.0±3.0 |
7 | *ESH4448 | *ESH4460 | 450 | 78408 | 329314 | 46.0 | M10 | 24.0±3.0 |
8 | ESH4449 | ESH4461 | 500 | 88200 | 370440 | 53.5 | M10 | 24.0±3.0 |
9 | *ESH4450 | *ESH4462 | 550 | 115200 | 483840 | 56.5 | M10 | 24.0±3.0 |
10 | *ESH4451 | *ESH4463 | 630 | 182892 | 768144 | 58.9 | M10 | 24.0±3.0 |